ZCS880 Series Large Multidrive Product
Product Introduction
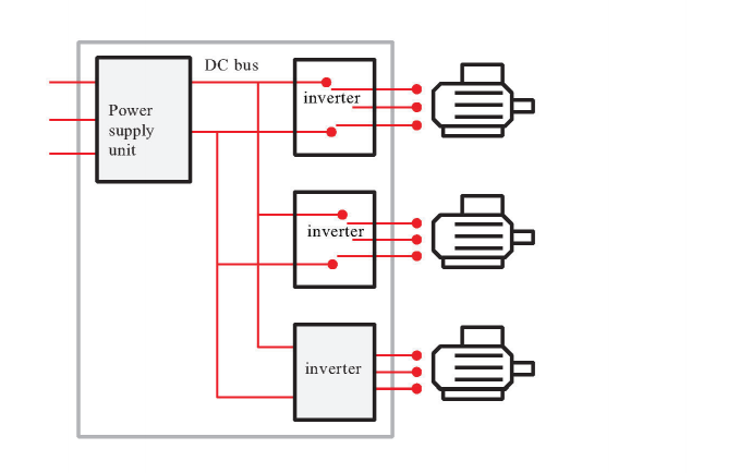
The principle of multi-drive is based on a common DC bus configuration, enabling a single power input and shared braking resources for multiple drives. A variety of power supply options are available, ranging from simple diode supply units to highly sophisticated active IGBT supply units.
01 Multidrive configuration with powersupply unit, DC bus and multiple inverters
02 The multidrive is to control multiplemotors. The more important units arethe drive unit (inverter unit (lNU)) andthe power supply unit (DSU/RRU/ISU)

* Rated power:
- Inverter unit INU:1.5-5600KW
- Diode-supply units DSU:50-5500KVA
- IGBT-supply unit ISU:300-6100KVA
* Regenerative rectifier unit RRU:416-6100KVA
* DC-DC Converter DDC
- 305-1146KW
* Voltage range
- 380-690V
*Protection rating
- IP22 Standard:IP42 and IP54

Product Features and Highlights
- Compact design, easy to assemble and maintain inside the cabinet;
- High assembly density: Up to 16 inverters with outline dimensions no larger than A2i can be installed in a single 1‑meter‑wide cabinet;
- High power density, highly reliable diode rectifier bridge;
- The bottom of the cabinet is equipped with connectors for quick motor cable connection, making installation much more convenient;
- Supports protection classes IP22, IP42 and IP54 for various environments;
- Equipment control panel with optional switches and indicator lights;
- Optional cabinet lighting and heater;
- Efficient heat dissipation: Heat loss from each inverter unit is directed to the rear of the cabinet. Each cabinet features its own independent compartment;
- Long-life capacitors and high-efficiency cooling fans with speed or on/off control.
Copyright © Copyright:ZONCN Record number:1943255 sitemap(Baidu / Google)
Technical SupportJinfeng Operations 统计代码放置
administrator
There are currently no comments on this content