HMI-8080 Air Compressor Control System
The HMI-8080 air compressor control system developed by our company is rich in interface display, powerful and easy to use, which can easily realize the human-computer interaction function of air compressor control system, thank you for your choice!
Hardware parameters
External dimensions and mounting dimensions

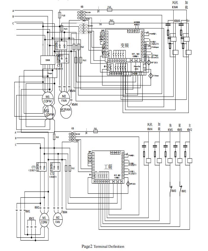
Terminal wiring diagram

Copyright © Copyright:ZONCN Record number:1943255 sitemap(Baidu / Google)
Technical SupportJinfeng Operations 统计代码放置
administrator
There are currently no comments on this content